96 Dodge Dakota 2 5 Wiring Diagram

Fullsize dodge van 1993 van wiring information.
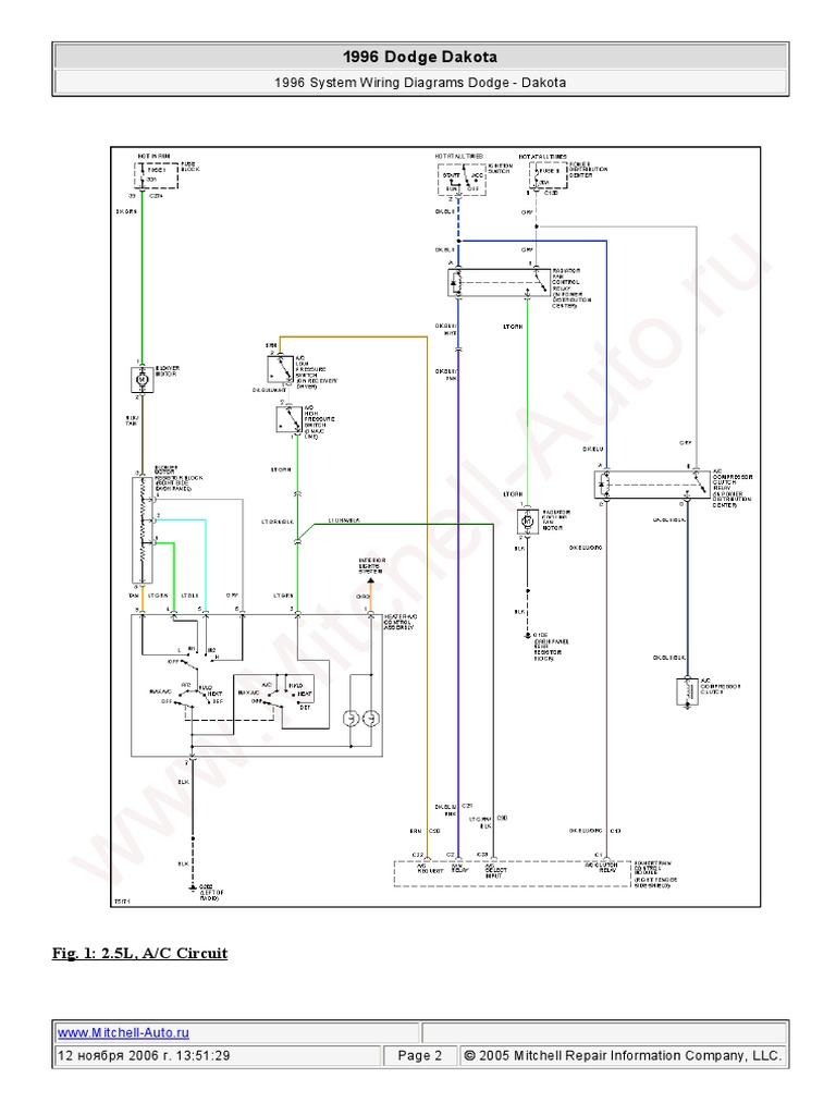
96 dodge dakota 2 5 wiring diagram. I have a trouble and somebody can help me to find the diagram. Home the12volt s install bay vehicle wiring view all dodge vehicles 1995 96 dodge dakota vehicle search. Assortment of 1997 dodge dakota radio wiring diagram. It shows the elements of the circuit as simplified forms as well as the power and also signal links in between the tools.
Here is a picture gallery about 1995 dodge dakota fuse box complete with the description of the image please find the image you need. 1981 2dr sedan wiring information. A wiring diagram is a simplified traditional pictorial depiction of an electric circuit. 1983 dodge aries 2dr sedan wiring information.
A wiring diagram is a streamlined conventional photographic representation of an electrical circuit. 96 dodge dakota under dash fuse box diagram. Fuse panel layout diagram parts. Listed below is the vehicle specific wiring diagram for your car alarm remote starter or keyless entry installation into your 1991 1996 dodge dakota this information outlines the wires location color and polarity to help you identify the proper connection spots in the vehicle.
Fullsize dodge van 1983 van wiring information. Please right click on the image and save the photo. 96 dodge dakota under dash fuse box map. Our people also have some more graphics related to 2005 dodge ram 1500 tail light wiring diagram please see the photo gallery below.
1990 dodge caravan minivan wiring information. 1980 dodge aspen 2dr sedan wiring information. Assortment of 1996 dodge dakota wiring schematic. This is the wiring diagram for a 1996 dodge dakota readingrat of a imagine i get via the 2005 dodge ram 1500 tail light wiring diagram collection.
Whether your an expert dodge dakota mobile electronics installer dodge dakota fanatic or a novice dodge dakota enthusiast with a 1996 dodge dakota a car stereo wiring diagram can save yourself a lot of time. Read more 1996 dodge dakota car stereo wiring diagram. Dodge dakota v8 fuse box diagram circuit wiring diagrams in 1995 dodge dakota fuse box image size 536 x 364 px and to view image details please click the image. 1980 dodge challenger 2dr hatchback wiring information.
Automotive wiring in a 1996 dodge dakota vehicles are becoming increasing more difficult to identify due to the installation of. It shows the parts of the circuit as streamlined forms and also the power and also signal connections in between the tools. 1995 96 dodge dakota car stereo wire colors functions and locations. 1995 96 dodge dakota stereo wiring.
1978 dodge charger 2dr hatchback wiring information.